Chuỗi cách điện thủy tinh đơn loại 70kN cho dây dẫn – tải trọng 70kN
+ Dùng cho đường dây truyền tải 35kV, 110kV,….
+ Cách điện bằng bát thủy tinh
+ Dùng cho cáp dây dẫn ACSR, dây dẫn điện khác
Công ty VinaNET chuyên cung cấp các loại chuỗi đỡ cách điện bằng bát thủy tinh cho dây dẫy cho đường dây 35kV, 110kV, …với chất lượng hàng đầu tại Việt Nam, hàng hóa được test kiểm định và các chứng từ pháp lý rõ ràng, hàng hóa đầy đủ cung cấp cho các dự án lớn, nhỏ đểu dáp ứng, các dịch vụ trước và sau khi bán hàng luôn luôn được cải thiện

Thanh phần gồm có:
|
STT |
Hạng mục | Lực kN | Đơn vị tính |
Số lượng |
|
1 |
Gu dông treo chuỗi |
70kN |
Cái | 01 |
|
2 |
Vòng treo đầu tròn |
70kN |
Cái |
01 |
|
3 |
Bát cách điện |
70kN |
Cái |
08 |
|
4 |
Mắt nối đơn |
70kN |
Cái |
01 |
|
5 |
Mắt nối lắp ráp |
70kN |
Cái |
01 |
|
6 |
Khóa đỡ dây dẫn |
70kN |
Cái |
01 |
|
7 |
Dây lót cáp ( armord rods) | Cái |
01 |

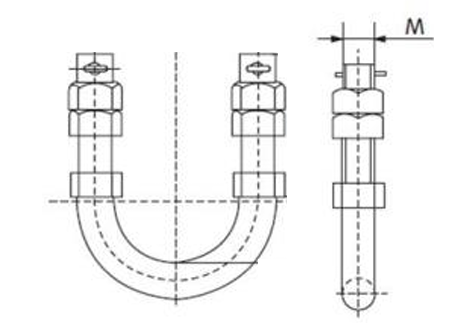
1-Gu dông treo chuỗi đỡ cách điện : Chất liệu thép, mạ nhúng nóng, kích thước rộng 80mm, phi 16mm-18mm

2-Vòng treo đầu tròn: Dùng kết nối Gu dong với Bát cách điện thủy tinh, làm bằng chất liệu thép, mạ nhúng nóng

3-Bát cách điện: Dùng cho cáp ACSR có kích thước phù hợp cho đường dây 110kN chịu lực 70kN

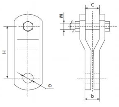
4-Mắt nối đơn: Kết nối Bát thủy tinh cách điẹn và mắt nối thao tác, chịu lực 70kN, làm bằng chất liệu thép, mạ nhúng nóng

5-Mắt nối láp ráp, kết nối khóa đỡ dây dẫn ACSR và mắt nối đơn, àm bằng chất liệu thép, mạ nhúng nóng. tạo cho công nhân dễ dàng thao tác lắp ráp và sửa chữa bào trì hoặc thay thế

6-Khóa đỡ dây dẫn ACSR dùng để nâng dỡ dây dẫy, tạo cho dây được cố định và ổn định khi vận hành và khai thác, chống cho dây bị võng, làm bằng chất liệu thép, mạ nhúng nóng

7-Dây lót cáp: là các sợi thép hoặc hợp kim nhôm, được mạ kẽm nhúng nóng, dùng để lót cáp và chỗng bị xước cáp, gập cáp trong khi vận hành và khai thác


Các công nhân khi lắp đặt bát cách điện được cố định trên gông cột thép, thì bắt đầu cố định cáp ACSR vào phần khóa cáp, giúp cho dây dẫn ACSR được định vị chắc chắn. Dùng công cụ chuyên dụng để cố định, và công nhân phải được đeo dây an toàn, bảo hộ lao động đầy đủ và có chuyên môn

Sau khi cố định chắc chắn dây dẫn vào phần chuỗi đỡ cách diện đơn dây dẫy ACSR sẽ có như sau
















Đánh giá
Chưa có đánh giá nào.