1000BASE-LX GE SFP Transceiver, LC, dual fiber, 1310nm, 10km
(10Gbps SFP Transceiver, 10km Reach with DDMI)
Model: BT-SFP+-LR
Features
►Dual data-rate of 10Gbps/10Gbps operation
1310nm FP laser and PIN photodetector for 10km transmission
►Compliant with SFP MSA and SFF-8472 with duplex LC receptacle
►Digital Diagnostic Monitoring:
Internal Calibration or External Calibration
►Compatible with SONET OC-24-LR-1
►Compatible with RoHS
►+3.3V single power supply
►Operating case temperature: Standard : 0 to +70°C – Industrial : -40 to +85°C

Applications
►Gigabit Ethernet
►Fiber Channel
►Switch to Switch interface
►Switched backplane applications
►Router/Server interface
►Other optical transmission systems
Description
The SFP-GE-LX transceivers are high performance, cost effective modules supporting dual data-rate of 10Gbps/9.0625Gbps and 20km transmission distance with SMF.
The transceiver consists of three sections: a FP laser transmitter, a PIN photodiode integrated with a trans-impedance preamplifier (TIA) and MCU control unit. All modules satisfy class I laser safety requirements.
The transceivers are compatible with SFP Multi-Source Agreement (MSA) and SFF-8472. For further information, please refer to SFP MSA.

Absolute Maximum Ratings
Table 1 – Absolute Maximum Ratings
| Parameter | Symbol | Min | Max | Unit |
| Supply Voltage | Vcc | -0.5 | 4.5 | V |
| Storage Temperature | Ts | -40 | +85 | °C |
| Operating Humidity | – | 5 | 85 | % |
Recommended Operating Conditions
Table 2 – Recommended Operating Conditions
| Parameter | Symbol | Min | Typical | Max | Unit | ||
| Operating Case Temperature | Standard | Tc | 0 | +70 | °C | ||
| Industrial | -40 | +85 | °C | ||||
| Power Supply Voltage | Vcc | 3.13 | 3.3 | 3.47 | V | ||
| Power Supply Current | Icc | 300 | mA | ||||
| Data Rate | Gigabit Ethernet | 1.25 | Gbps | ||||
| Fiber Channel | 1.063 | ||||||
Optical and Electrical Characteristics
BT-SFP+-LR: (FP and PIN, 1310nm, 10km Reach)
Table 3 – Optical and Electrical Characteristics
| Parameter | Symbol | Min | Typical | Max | Unit | Notes | ||
| Transmitter | ||||||||
| Centre Wavelength | λc | 1260 | 1310 | 1360 | nm | |||
| Spectral Width (RMS) | ∆λ | 4 | nm | |||||
| Average Output Power | Pout | -9 | -3 | dBm | 1 | |||
| Extinction Ratio | ER | 9 | dB | |||||
| Optical Rise/Fall Time (20%~80%) | tr/tf | 0.26 | ns | |||||
| Data Input Swing Differential | VIN | 400 | 1800 | mV | 2 | |||
| Input Differential Impedance | ZIN | 90 | 100 | 110 | Ω | |||
| TX Disable | Disable | 2.0 | Vcc | V | ||||
| Enable | 0 | 0.8 | V | |||||
| TX Fault | Fault | 2.0 | Vcc | V | ||||
| Normal | 0 | 0.8 | V | |||||
| Receiver | ||||||||
| Centre Wavelength | λc | 1260 | 1580 | nm | ||||
| Receiver Sensitivity | -23 | dBm | 3 | |||||
| Receiver Overload | -3 | dBm | 3 | |||||
| LOS De-Assert | LOSD | -24 | dBm | |||||
| LOS Assert | LOSA | -30 | dBm | |||||
| LOS Hysteresis | 1 | 4 | dB | |||||
| Data Output Swing Differential | Vout | 400 | 1800 | mV | 4 | |||
| LOS | High | 2.0 | Vcc | V | ||||
| Low | 0.8 | V | ||||||
Notes:
- The optical power is launched into SMF.
- PECL input, internally AC-coupled and terminated.
- Measured with a PRBS 27-1 test pattern @1250Mbps, BER ≤1×10-12.
- Internally AC-coupled.
Timing and Electrical
Table 4 – Timing and Electrical
| Parameter | Symbol | Min | Typical | Max | Unit |
| Tx Disable Negate Time | t_on | 1 | ms | ||
| Tx Disable Assert Time | t_off | 10 | µs | ||
| Time To Initialize, including Reset of Tx Fault | t_init | 300 | ms | ||
| Tx Fault Assert Time | t_fault | 100 | µs | ||
| Tx Disable To Reset | t_reset | 10 | µs | ||
| LOS Assert Time | t_loss_on | 100 | µs | ||
| LOS De-assert Time | t_loss_off | 100 | µs | ||
| Serial ID Clock Rate | f_serial_clock | 400 | KHz | ||
| MOD_DEF (0:2)-High | VH | 2 | Vcc | V | |
| MOD_DEF (0:2)-Low | VL | 0.8 | V |
Diagnostics
Table 5 – Diagnostics Specification
| Parameter | Range | Unit | Accuracy | Calibration |
| Temperature | 0 to +70 | °C | ±3°C | Internal / External |
| -40 to +85 | ||||
| Voltage | 3.0 to 3.6 | V | ±3% | Internal / External |
| Bias Current | 0 to 100 | mA | ±10% | Internal / External |
| TX Power | -9 to -3 | dBm | ±3dB | Internal / External |
| RX Power | -23 to -3 | dBm | ±3dB | Internal / External |
Digital Diagnostic Memory Map
The transceivers provide serial ID memory contents and diagnostic information about the present operating conditions by the 2-wire serial interface (SCL, SDA).
The diagnostic information with internal calibration or external calibration all are implemented, including received power monitoring, transmitted power monitoring, bias current monitoring, supply voltage monitoring and temperature monitoring. The digital diagnostic memory map specific data field defines as following.

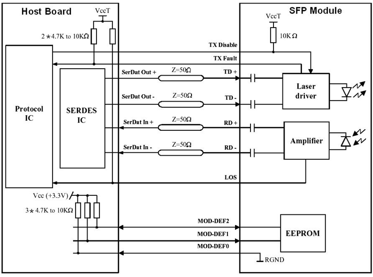
Pin Definitions
Pin Diagram

Pin Descriptions
| Pin | Signal Name | Description | Plug Seq. | Notes |
| 1 | VEET | Transmitter Ground | 1 | |
| 2 | TX FAULT | Transmitter Fault Indication | 3 | Note 1 |
| 3 | TX DISABLE | Transmitter Disable | 3 | Note 2 |
| 4 | MOD_DEF(2) | SDA Serial Data Signal | 3 | Note 3 |
| 5 | MOD_DEF(1) | SCL Serial Clock Signal | 3 | Note 3 |
| 6 | MOD_DEF(0) | TTL Low | 3 | Note 3 |
| 7 | Rate Select | Not Connected | 3 | |
| 8 | LOS | Loss of Signal | 3 | Note 4 |
| 9 | VEER | Receiver ground | 1 | |
| 10 | VEER | Receiver ground | 1 | |
| 11 | VEER | Receiver ground | 1 | |
| 12 | RD- | Inv. Received Data Out | 3 | Note 5 |
| 13 | RD+ | Received Data Out | 3 | Note 5 |
| 14 | VEER | Receiver ground | 1 | |
| 15 | VCCR | Receiver Power Supply | 2 | |
| 16 | VCCT | Transmitter Power Supply | 2 | |
| 17 | VEET | Transmitter Ground | 1 | |
| 18 | TD+ | Transmit Data In | 3 | Note 6 |
| 19 | TD- | Inv. Transmit Data In | 3 | Note 6 |
| 20 | VEET | Transmitter Ground | 1 |
Notes:
Plug Seq.: Pin engagement sequence during hot plugging.
1) TX Fault is an open collector output, which should be pulled up with a 4.7k~10kΩ resistor on the host board to a voltage between 2.0V and Vcc+0.3V. Logic 0 indicates normal operation; Logic 1 indicates a laser fault of some kind. In the low state, the output will be pulled to less than 0.8V.
2) TX Disable is an input that is used to shut down the transmitter optical output. It is pulled up within the module with a 4.7k~10kΩ resistor. Its states are:
Low (0 to 0.8V): Transmitter on
(>0.8V, < 2.0V): Undefined
High (2.0 to 3.465V): Transmitter Disabled
Open: Transmitter Disabled
3) Mod-Def 0,1,2. These are the module definition pins. They should be pulled up with a 4.7k~10kΩ resistor on the host board. The pull-up voltage shall be VccT or VccR.
Mod-Def 0 is grounded by the module to indicate that the module is present
Mod-Def 1 is the clock line of two wire serial interface for serial ID
Mod-Def 2 is the data line of two wire serial interface for serial ID
4) LOS is an open collector output, which should be pulled up with a 4.7k~10kΩ resistor. Pull up voltage between 2.0V and Vcc+0.3V. Logic 1 indicates loss of signal; Logic 0 indicates normal operation. In the low state, the output will be pulled to less than 0.8V.
5) RD-/+: These are the differential receiver outputs. They are internally AC-coupled 100 differential lines which should be terminated with 100Ω (differential) at the user SERDES.
6) TD-/+: These are the differential transmitter inputs. They are internally AC-coupled, differential lines with 100Ω differential termination inside the module.
Recommended Interface Circuit




















Đánh giá
Chưa có đánh giá nào.