1. Giới thiệu chung: Bộ treo cáp quang ADSS KV400 là thành phần không thể thiếu khi triển khai các dự án kéo cáp quang ADSS. Có tác dụng treo giữ sợi cáp quang trên cột điện hoặc trên tường. Dùng cho cáp quang ADSS có khoảng vượt 400m trở xuống, tạo cho cáp quang có được ổn định trên cột để vận hành và khai thác. Bộ treo cáp quang ADSS KV300 giúp cho cáp quang được đi thẳng và giữ ổn định tránh được tác động từ bên ngoài làm ảnh hướng xấu đến cáp ADSS

2. Thông số sản phẩm:
| Danh mục | Chỉ tiêu |
| Khoảng vượt | 400m |
| Lực căng tối đa | ≥ 22 kN với khoảng vượt 400m |
| Bộ móc treo | Bằng thép chịu lực, mạ kẽm chống gỉ |
| Khóa đỡ cáp | Bằng hợp kim nhôm |
| Đệm lót cáp | Bằng cao su tổng hợp |
| Dây bện xoắn bảo vệ trong và ngoài
( bọc phía trong và ngoài cáp quang) |
Làm bằng thép cường lực, mạ kẽm chống gỉ. Chiều dài Dây bên ngoài ≥1000mm với khoảng vượt 400mDây bên trong ≥1400mm với khoảng vượt 400m |
| Phụ kiện | Các bulong liên kết, các phụ kiện bằng inox không gỉ hoặc thép mạ kẽm chống gỉ |
3. Ứng dụng sản phẩm:
– Treo đỡ cáp quang ADSS KV400, Sử dụng trên cột, trên tường
– Sử dụng cho hệ thống cáp mạng, cáp quang, hệ thông cáp điện lực.
– Sử dụng cho hạ tầng cáp ADSS
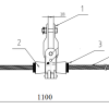
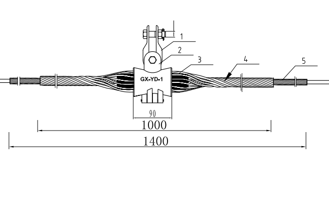
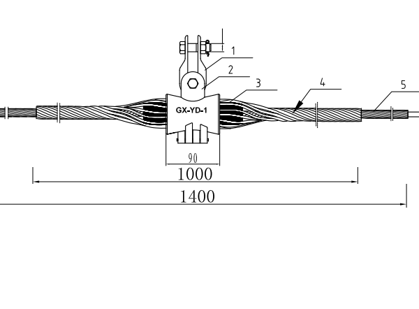
4. Chi tiết kết cấu sản phẩm:
+ Chi tiết Còng néo ( móc nối chữ U:) Chất liệu bằng thép chịu lực, được mạ kẽm chống gỉ, dùng để treo bộ néo vào cột ( móc vào lỗ của bộ gông hoặc đế ốp)
+ Chi tiết Khóa đỡ cáp: Làm bằng hợp kim nhôm, dùng để bọc bên ngoài hai tấm đệm cao su. Bulong kẹp: Được làm bằng thép mạ kẽm chống gỉ có tác dụng tạo lực ép giữa cáp và được làm bằng thép kẽm chống gỉ.
+ Chi tiết Đệm lót cáp: Gồm 2 nữa đệm hình trụ làm bằng cao su tổng hợp để bọc và cố định cáp cùng dây bảo vệ
+ Chi tiết Dât xoắn bảo vệ trong: Gồm các dây chịu lực bằng thép cường lực mạ kẽm chống gỉ được bọc phía ngoài cáp nhằm đảm bảo bán kính uốn cong cho cáp, để cáp không bị gập gẫy. Dây xoắn có tính đàn hồi cao, có thể sử dụng nhiều lần, Đường kính số lượng các sợi dây chịu lực đảm bảo phủ kín sợi cáp.
+ Chi tiết Dât xoắn bảo vệ ngoài: Gồm các dây chịu lực bằng thép cường lực mạ kẽm chống gỉ được bọc phía ngoài cáp nhằm đảm bảo bán kính uốn cong cho cáp, để cáp không bị gập gẫy. Dây xoắn có tính đàn hồi cao, có thể sử dụng nhiều lần, Đường kính số lượng các sợi dây chịu lực đảm bảo phủ kín sợi cáp.
VINANET TELECOM CO.,LTD
Tel: 0984.06.1900- 0978.729.726














Đánh giá
Chưa có đánh giá nào.