Chuỗi Đỡ cách điện đơn chất liệu cách điện bằng Polymer 24kV-Tải trọng 70kN

Các thành phần của Chuỗi đỡ đơn cách điện Polymer 24kV- tải trọng 70kN
| STT | Hạng mục | Lực kN | Đơn vị tính | Số lượng |
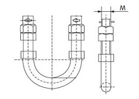
| 1 | Gu dông treo chuỗi | 70kN | Cái | 01 |
| 2 | Vòng treo đầu tròn,hoặc khớp nối | 70kN | Cái | 01 |
| 3 | Cách điện Polymer | 70kN | Cái | 01 |
| 4 | Mắt nối đơn | 70kN | Cái | |
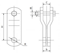
| 6 | Khóa đỡ dây dẫn | 70kN | Cái | 01 |
Tác dụng của các thành phần Chuỗi đỡ cách điện Polymer:
1- Gu dong treo chuỗi: Cố định toàn bộ Chuỗi đỡ cách điện vào gông, chất liệu thép, mạ nhúng nóng, lực tải trọng phá hủy của chi tiết >= 70kN

2-Vòng treo đầu tròn: chất liệu thép, mạ nhúng nóng, lực tải trọng phá hủy của chi tiết >= 70kN, dùng kết nối gu dông và chuỗi cách điện


3- Cách điện Polymer: Tách dụng cách điện dây dẫn với cột, lực tải trọng >= 70kN, chất liệu

4-Mắt nối đơn: nối cách điện với chuỗi đỡ

5-Khóa đỡ dây dẫn: Đùng để đỡ cáp

Cấu tạo cách điện Polymer 24kV- tải trọng 70kN
Cách điện polymeric (polymer insulator) được chế tạo bằng vật liệu polymer (silicon rubber, composite) có trọng lượng nhẹ hơn từ 20-35% cách điện bằng sứ. Chất liệu silicon có tính chống lão hóa, ngăn ngừa đọng nước trên bề mặt. Chống được va đập gây vỡ, biến dạng

Chuỗi cách điện gồm các loại tải trọng từ 70kN đến 550kN.

Thông số của chuỗi cách điên Polymer 24kV tải trọng 70kN
1- Chiều dài: 475mm
2- Lỗ kiết nối: phi 22mm
3- Vật liệu cách điện: theo tiêu chuẩn IEC 61109-2008
4- Chiều dài dòng rò: 703mm
5- khoảng cách các đỉnh khe cách điện: 36mm
6- Khoảng cách đầu và cuối đỉnh khe cách điện: 216mm
7- Số đỉnh khe cách điện: 06
Cách điện polymer (polymer insulator) đa dạng chủng loại, thích hợp với các môi trường lắp đặt, nó có đặc tính nhẹ và giá thành rẻ hơn so các loại cách điện khác như cách điện gốm, cách điện thủy tinh (glass insulator). Do vậy, sử dụng cách điện polymer việc thi công cũng trở nên đơn giản hơn.
Cách điện polymer (polymer insulator) được chế tạo theo tiêu chuẩn IEC 61109
Thông số của Cách điện Polimer 24kV-70kN
Chuỗi cách điện polymeric (polymer insulator) hay còn gọi là cách điện silicon (silicon insulator), cách điện composite (composite insulator), chuỗi cách điện,..được sử dụng làm cách điện trong các công trình đường dây và trạm biến áp. Sử dụng trong môi trường muối mặn, ô nhiễm.
Được sử dụng làm cách điện cho chuỗi đỡ đơn, đỡ kép, đỡ lèo,… Cách điện cho chuỗi néo đơn, néo kép,… Cách điện đứng trong các trạm biến áp.















Đánh giá
Chưa có đánh giá nào.