Vòng treo đầu tròn cho chuỗi treo dây dẫn

Chất liệu bằng thép, được mạ kẽm nhúng nóng
Lực kéo 70kN có thể lên đến 160kN
Kết cấu 1 đầu đúc tròn kín, 1 đầu có đánh tù dạng khấc, để nối giữa đui Bát cách điện và Gu dông, cố định bằng chốt hãm

Kích thước tùy chỉnh theo yêu cầu đặt hàng của khách hàng, cụ thể như sau

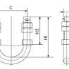
Ý nghĩa của các đơn vị trong bản vẽ của: Vòng treo đầu tròn cho chuỗi treo
QP-xxxx: là mã sản phẩm quy định
A: là kích thước từ tâm vòng tròn đến điểm đánh đầu tù khấc, đơn vị tính bằng mm
B: Đường kính Vòng treo đầu tròn cho chuỗi treo, đơn vị tính bằng mm
C: Kích thước đầu tù, đầu khấc: đơn vị tính bằng mm
D: Đường kính nối giữa vòng tròn và đầu tù đầu khấc: đơn vị tính bằng mm
Phi R: là đường kính của vòng tròn: đơn vị tính bằng mm











Đánh giá
Chưa có đánh giá nào.