Chuỗi Néo cách điện đơn bằng thủy tinh cho dây dẫy điện – tải trọng 120kN
+ Dùng cho đường dường dây 35kV, 110kV,….
+ Cách điện bằng bát thủy tinh
+ Dùng cho cáp dây dẫn ACSR, các loại dây dẫn điện khác
Công ty VinaNET chuyên cung cấp các loại chuỗi néo cách điện đơn bằng bát thủy tinh cho dây dẫy cho đường dây 35kV, 110kV, …với chất lượng hàng đầu tại Việt Nam, hàng hóa được test kiểm định và các chứng từ pháp lý rõ ràng, hàng hóa đầy đủ cung cấp cho các dự án lớn, nhỏ đểu dáp ứng, các dịch vụ trước và sau khi bán hàng luôn luôn được cải thiện

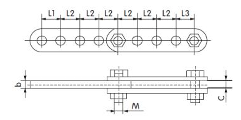
Các chi tiết của Chuỗi néo cách điện đơn dây dẫy ACSR -120kN thủy tinh có cụ thể như sau
|
No |
Tên | kN | Đơn vị tính |
Số lượng |
|
1 |
Móc treo chữ U | 120kN | Pcs |
04 |
|
2 |
Mắt nối điều chỉnh | 120kN | Pcs |
01 |
|
3 |
Khánh đơn | 120kN | Pcs |
02 |
|
4 |
Vòng treo đầu tròn 2 chân | 120 kN | Pcs |
01 |
|
5 |
Bát cách điện | 120kN | Pcs |
18 |
|
6 |
Mắt nối kép | 120 kN | Pcs |
02 |
|
7 |
Mắt nối lắp ráp | 120 kN | Pcs |
01 |
|
8 |
Khóa néo dây dẫy | 120 kN | Pcs |
01 |
Tác dụng của từng chi tiết trong Chuỗi néo cách điện đơn dây dẫy ACSR -70kN thủy tinh có cụ thể như sau
1- Móc treo chữ U, hay còn gọi là CK, chất liệu bằng thép cường lực được mạ kẽm nhúng nóng, có lực kéo >= 120kN, tác dụng cố định vào gông trên cột thép, giữ cho chuỗi néo không bị rơi

2- Móc nối điều chỉnh, tác dụng điều chỉnh hướng,hoặc độ dài ngắn của chuỗi néo sao cho phù hợp với từng vị trí lắp, chất liệu bằng thép cường lực được mạ kẽm nhúng nóng, có lực kéo >= 120kN

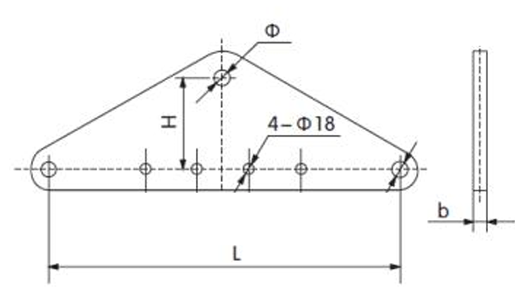
3- khánh đơn: Dùng kết nối cùm chữ U vòng tròn 2 chân, làm bằng chất liệu thép, mạ nhúng nóng, tác dụng chia song song 2 hàng bát cách điện

4- Vòng treo đầu tròn 2 chân, chất liệu bằng thép cường lực được mạ kẽm nhúng nóng, có lực kéo >= 120kN, kết nối giữa khánh đơn với bát cách điện thủy tinh

5- Bát cách điện: có tác dụng cách điện, và chống dòng rò, có thông số như sau

| Vật liệu cách điện | Thuỷ tính cường lực (hoặc thuỷ tinh cường lực an toàn) | |
| Kích thước: | ||
| + Chiều cao bát cách điện | ||
| – Loại 120kN | mm | ≥146mm |
| + Đường kính | mm | ≥280mm |
| + Chiều dài dòng rò | mm | ≥ 440mm |
| Độ bền điện | ||
| + Điện áp chịu đựng tần số nguồn 50 Hz, 1 phút (trạng thái khô)
Loại 120kN |
kVrms |
≥ 70 |
| + Điện áp chịu đựng tần số nguồn 50 Hz, 1 phút (trạng thái ướt)
Loại 120kN |
kVrms |
≥ 40 |
| + Điện áp chịu đựng xung sét
Loại 120kN |
kVpeak |
≥ 100 |
| + Điện áp đánh thủng nhỏ nhất
Loại 120kN |
kVrms |
≥ 120 |
| Độ bền cơ (tải trọng phá huỷ) | ||
| Chuỗi cách điện néo | kN | 120 |
6- Mắt nối kép, dùng kết nối bát thủy tinh và mắt nối thao tác, chất liệu bằng thép cường lực được mạ kẽm nhúng nóng, có lực kéo >= 120kN

7- Mắt nối thao tác, chất liệu bằng thép cường lực được mạ kẽm nhúng nóng, có lực kéo >= 120kN, giúp cho công nhân thao tác được dễ dàng khi lắp đặt

8 -Khóa néo, có lực kéo >= 120kN, cố định dây dẫn ACSR












Đánh giá
Chưa có đánh giá nào.