Móc treo chữ U cho treo và néo hay còn gọi là Ma ní CK cho treo và néo
Ma ní. Móc treo chữ U phi 12, 14,16. Móc Treo Chữ U phi 18. Móc treo chữ U được làm từ thép carbon và được mạ kẽm nhúng nóng, là phụ kiện liên kết giữa sứ treo polymer với đà xà , có chức năng dừng và giữ căng cáp trên không tại tại trụ điện.

1. Móc treo chữ U là gì?
Móc treo chữ U hay còn gọi là ma ní là phụ kiện liên kết sứ treo polymer vào đà xà tại trụ điện của đường dây truyền tải điện trên không. Móc treo chữ U được làm từ thép carbon phi 16 hoặc phi 18 nên có bền cơ học cao, độ bền kéo đứt và độ bền uốn cao, chịu được tải trọng lớn của lực kéo căng cáp. Sau khi gia công xong, móc treo chữ U được mạ kẽm nhúng nóng nên có khả năng chống gỉ, chống oxy hóa, chống ăn mòn điện hóa, chịu được các tác động xấu của thời tiết.

2. Chức năng của Móc treo chữ U:
Chức năng của móc treo chữ U là làm mắc nối trung gian để liên kết sứ treo polymer với đà sắt hoặc đà composite tại trụ điện. Cùng với giáp níu (hoặc khóa néo) và sứ treo polymer, móc treo chữ U tạo điểm dừng và giữ căng dây cáp điện trung thế trên không tại trụ điện.
Móc treo chữ U có chốt cài, có thể tháo rời nên giúp cho việc lắp đặt trở nên dễ dàng, thi công nhanh chóng.
Vì được mạ kẽm nhúng nóng nên móc treo chữ U thích hợp lắp đặt trong mọi điều kiện hậu kể cả vùng ven biển, sương muối, ẩm ướt.
3. Thông số kỹ thuật Móc treo chữ U:
– Tiêu chuẩn áp dụng: TCVN 5408
– Vật liệu: Thép carbon mạ kẽm nhúng nóng
– Đường kính (mm): M16 – M18
– Độ dày lớp mạ: >80µm
– Lực phá hủy cơ học: 70kN -120kN
– Ứng dụng: Liên kết sứ treo polymer với đà xà, dừng và giữ căng cáp trên không.

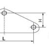
Ý nghĩa của các ký tự trong bản vẽ:
US-xxxx: Là mã sản phẩm
B: là kích thước khe hở của móc treo chữ U, đơn vị tính bằng mm
D: là kich đường kính của móc treo
A: là kích thước từ tâm lỗ cho đến đáy độ uốn của móc treo










Đánh giá
Chưa có đánh giá nào.